Главная → Детские головоломки → Головоломки для школьников → 200 занимательных задач → Как изготовить книжную полку
Занимательные задачи
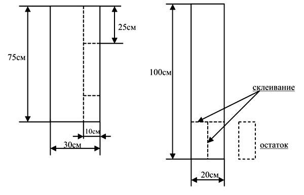
Задача 181. Как изготовить книжную полку
Предположим, что вам надо изготовить книжную полку длиной в 1 м и шириной в 20 см, но у вас есть доска менее длинная, но более широкая — 75 см в длину и 30 см в ширину. Из нее, конечно же, можно сделать доску требуемых размеров, отпилив вдоль полоску шириной в 10 см и, распилив ее на три равные части по 25 см, двумя из них нарастить доску посредством склеивания (см. рисунок).













